-
蜗轮蝶阀此阀尺寸小,重量轻,可在各种介质管道中作为截断、调节流量的设备。通过选用不同材质的阀板和密封座,以及板、轴通过无销连接可用于更恶劣的工况,如脱硫、真空、海水淡化系统等。凸耳对夹式蝶阀可实现阀门的下游管线及设备在线修复,并且该阀可实现阀门的下游管线及设备在线修复,并且该阀可安装在管端作为排气阀使用。
-
产品详细
此阀尺寸小,重量轻,可在各种介质管道中作为截断、调节流量的设备。通过选用不同材质的阀板和密封座,以及板、轴通过无销连接可用于更恶劣的工况,如脱硫、真空、海水淡化系统等。凸耳对夹式蝶阀可实现阀门的下游管线及设备在线修复,并且该阀可实现阀门的下游管线及设备在线修复,并且该阀可安装在管端作为排气阀使用。
此阀适用在石油、化工、食品、医药、造纸、水电、船舶、给排水、冶炼、能源等系统管路上,可在多种腐蚀性、非腐蚀性的气体、液体、半流体以及固体粉末管和容器上作为调节和截流设备使用。
产品特点:
1、小型轻便,容易拆装及维修,并可在任意位置上安装。
2、结构简单、紧凑、90°运转启闭迅速。
3、操作扭矩小,省力轻巧。
4、达到完全密封,气体试验泄露为零。
5、选择不同零部件材质,可适用多种介质。
6、流量特性趋于直线,调节性能好。
7、启闭试验次数多达数万次、寿命长。
8、凡使用闸阀、截止阀、旋塞、胶管阀及隔膜阀的管路,均可用该阀替换,订货时该阀加带副管供货即可(请在合同中注明)。
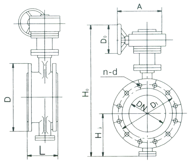
产品小样图

蜗轮蝶阀产品链接:http://www.outesi.cn/products/606.html -
核心优势
欧特斯阀门——流体阀门控制系统专业制造商
工厂直销性价比高,是您的怡心之选
-
一站式一站式服务模式,提供产品及其解决方案,选择欧特斯就是选择放心
-
供货足海量备货,致力于中长期批量售货,货源稳定。选择欧特斯选择安心
-
性价比不买贵的,只买对的。高性价比是欧特斯的生存之道,是您的怡心之选
-
有保障采用严格按照国家标准检验的原材料及零配件,产品质量有保证
-
系列全齐全的产品系列是保障您一站式完美采购的开始,几十种品种,上千种规格。满你所需,只因欧特斯更懂你
-
产品优优越的产品性能,是欧特斯致胜的保障,多年产品生产研发经验,是您放心之选
-
-
联系我们
-
固定电话13820705099 -
产品咨询13662178989 -
企业邮箱sale@outesi.cn -
公司地址天津市津南区小站镇营盘圈工业区
-
-
相关产品推荐
手机:13662178989
网址:www.outesi.cn
邮箱:sale@outesi.cn
地址:天津市津南区小站镇营盘圈工业区