-
金属密封对夹蝶阀此阀为偏心金属密封结构,密封形式为金属对金属密封,可调换金属密封圈对金属密封,不锈钢板与石墨复合板密封圈对金属密封。硬密封蝶阀的驱动形式除了电动之外还有:手动,蜗轮杆传动,气动等。硬密封蝶阀的蝶板安装于管道的直径方向。在蝶阀阀体圆柱形通道内,圆盘形蝶板绕着轴线旋转,旋转角度为0°~90°之间,旋转到90°时,阀门则牌全开状态。目前,硬密封蝶阀作为一种用来实现管路系统通断及流量控制的部件,已在石油、化工、冶金、水电等许多领域中得到极为广泛地应用。阀体和阀座为连体构件,阀座密封表面层堆焊耐温、耐蚀合金材料。多层软叠式密封圈固定在阀板上,这种蝶阀与传统蝶阀相比具有耐高温,操作轻便,启闭无磨擦,关闭时随着传动机构的力矩增大来补偿密封,提高了蝶阀的密封性能及延长使用寿命的优点。
-
产品详细
此阀为偏心金属密封结构,密封形式为金属对金属密封,可调换金属密封圈对金属密封,不锈钢板与石墨复合板密封圈对金属密封。硬密封蝶阀的驱动形式除了电动之外还有:手动,蜗轮杆传动,气动等。硬密封蝶阀的蝶板安装于管道的直径方向。在蝶阀阀体圆柱形通道内,圆盘形蝶板绕着轴线旋转,旋转角度为0°~90°之间,旋转到90°时,阀门则牌全开状态。目前,硬密封蝶阀作为一种用来实现管路系统通断及流量控制的部件,已在石油、化工、冶金、水电等许多领域中得到极为广泛地应用。阀体和阀座为连体构件,阀座密封表面层堆焊耐温、耐蚀合金材料。多层软叠式密封圈固定在阀板上,这种蝶阀与传统蝶阀相比具有耐高温,操作轻便,启闭无磨擦,关闭时随着传动机构的力矩增大来补偿密封,提高了蝶阀的密封性能及延长使用寿命的优点。
产品特点:
1、 本产品采用三偏心设计,即
(1)阀杆中心与阀体中心线相对偏心
(2)阀杆中心与蝶板密封面相对偏心
(3)蝶板密封面相对阀杆中心偏转一个角度
由于这三个偏心,使阀门开启瞬间蝶板密封面圆周上各点可以同时脱离阀座,因而蝶板-阀座之间不产生平面间的相对摩擦,这样,既见效了操作力矩,提高了操作灵活性,而且提高了密封副的使用寿命
2、由于其偏心锥面的作用,在阀门关闭时,可以达到越关越紧,能够实现自锁,不会因驱动扭矩过大而使阀门关闭过位
3、由于这类阀门的蝶板密封面材料为了不锈钢与复合材料相结合,既能够保证密封面的强度,又保证了密封性能
4、该类产品反压密封性能实验可至少达到0.8MPa
5、蝶板与阀座之间通过“渐进式”来保持始终不变的密封效果,即密封副磨损后,可以通过蝶板位置的推进而补偿
6、阀杆安装牢固可靠,阀杆下部安装有固定环,不会发生穿出体外的意外情况
7、适用介质和工况:该产品可以在水、空气、煤气、油品、酸、碱等腐蚀性介质管道上使用;工作温度-30℃-+350℃
8、连接形式:法兰、对夹、焊接
9、传动方式:蜗轮蜗杆传动、电动、气动
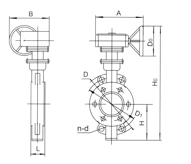
产品小样图

金属密封对夹蝶阀产品链接:http://www.outesi.cn/products/621.html -
核心优势
欧特斯阀门——流体阀门控制系统专业制造商
工厂直销性价比高,是您的怡心之选
-
一站式一站式服务模式,提供产品及其解决方案,选择欧特斯就是选择放心
-
供货足海量备货,致力于中长期批量售货,货源稳定。选择欧特斯选择安心
-
性价比不买贵的,只买对的。高性价比是欧特斯的生存之道,是您的怡心之选
-
有保障采用严格按照国家标准检验的原材料及零配件,产品质量有保证
-
系列全齐全的产品系列是保障您一站式完美采购的开始,几十种品种,上千种规格。满你所需,只因欧特斯更懂你
-
产品优优越的产品性能,是欧特斯致胜的保障,多年产品生产研发经验,是您放心之选
-
-
联系我们
-
固定电话13820705099 -
产品咨询13662178989 -
企业邮箱sale@outesi.cn -
公司地址天津市津南区小站镇营盘圈工业区
-
-
相关产品推荐
手机:13662178989
网址:www.outesi.cn
邮箱:sale@outesi.cn
地址:天津市津南区小站镇营盘圈工业区