-
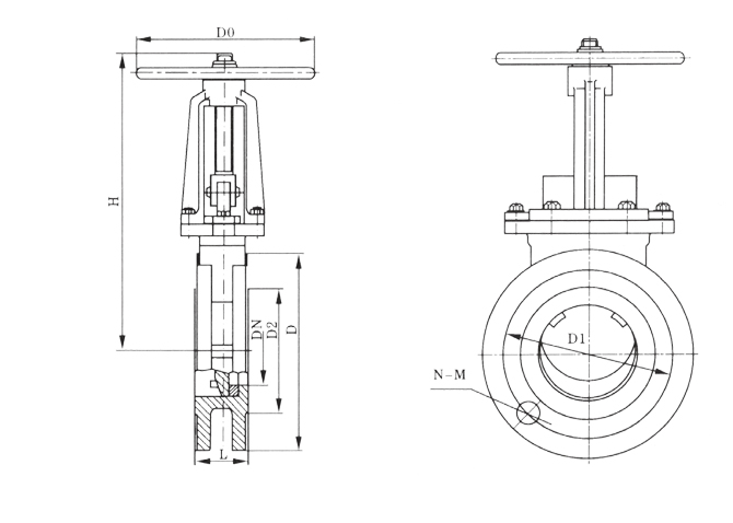
刀闸阀刀闸阀又称刀门闸阀,刀型浆液阀。它的启闭件是闸板,闸板的运动方向与流体方向相垂直,靠可以切割纤维材料的刀刃形闸板来切断介质,闸板有两个密封面,最常用的模式闸板阀的两个密封面形成楔形、楔形角随阀门参数而异,通常为50,楔式刀型闸阀的闸板可以做成一个整体,叫做刚性闸板;也可以做成能产生微量变形的闸板,以改善其工艺性,弥补密封面角度在加工过程中产生的偏差,这种闸板叫做弹性闸板。阀体实际上不存在腔室,闸板在侧面导向槽内升降,并由底部的凸耳紧压在阀座上,如需达到较高的介质密封性时,可选用O形密封阀座实现双向密封。刀闸阀具有较小的安装空间,工作压力低,不易堆积杂物,价格较低。
-
产品详细
刀闸阀又称刀门闸阀,刀型浆液阀。它的启闭件是闸板,闸板的运动方向与流体方向相垂直,靠可以切割纤维材料的刀刃形闸板来切断介质,闸板有两个密封面,最常用的模式闸板阀的两个密封面形成楔形、楔形角随阀门参数而异,通常为50,楔式刀型闸阀的闸板可以做成一个整体,叫做刚性闸板;也可以做成能产生微量变形的闸板,以改善其工艺性,弥补密封面角度在加工过程中产生的偏差,这种闸板叫做弹性闸板。阀体实际上不存在腔室,闸板在侧面导向槽内升降,并由底部的凸耳紧压在阀座上,如需达到较高的介质密封性时,可选用O形密封阀座实现双向密封。刀闸阀具有较小的安装空间,工作压力低,不易堆积杂物,价格较低。
刀型闸阀关闭时,密封面可以只依靠介质压力来密封,即依靠介质压力将闸板的密封面压向另一侧的阀座来保证密封面的密封,这就是自密封.大部分刀型闸阀是采用强制密封的,即阀门关闭时,要依靠外力强行将闸板压向阀座,以保证密封面的密封性。本类阀门在管道中一般应当水平安装。
产品特点:
刀闸阀为直通式,闸板不锈钢材质,防止阀门生锈、腐蚀,从而延长使用寿命。具有结构简单,轻便,密封性能好等特点,适用纸浆,泥浆,污水,废水、砂浆,煤浆等介质管路上,作调节和节流使用,适合水平安装。阀门由手轮或驱动装置带动阀杆升降,阀板实现阀门启闭;密封面采用堆焊合金钢,保证耐磨与抗冲击性;阀板设计为平板带刀口形,便于切断长纤维形的介质,阀板紧贴密封面,关闭时自动刮除粘于密封面及阀板上的污物,短型结构设计使阀体结构更紧凑。
产品小样图

刀闸阀产品链接:http://www.outesi.cn/products/642.html -
核心优势
欧特斯阀门——流体阀门控制系统专业制造商
工厂直销性价比高,是您的怡心之选
-
一站式一站式服务模式,提供产品及其解决方案,选择欧特斯就是选择放心
-
供货足海量备货,致力于中长期批量售货,货源稳定。选择欧特斯选择安心
-
性价比不买贵的,只买对的。高性价比是欧特斯的生存之道,是您的怡心之选
-
有保障采用严格按照国家标准检验的原材料及零配件,产品质量有保证
-
系列全齐全的产品系列是保障您一站式完美采购的开始,几十种品种,上千种规格。满你所需,只因欧特斯更懂你
-
产品优优越的产品性能,是欧特斯致胜的保障,多年产品生产研发经验,是您放心之选
-
-
联系我们
-
固定电话13820705099 -
产品咨询13662178989 -
企业邮箱sale@outesi.cn -
公司地址天津市津南区小站镇营盘圈工业区
-
-
相关产品推荐
手机:13662178989
网址:www.outesi.cn
邮箱:sale@outesi.cn
地址:天津市津南区小站镇营盘圈工业区